K カップリング
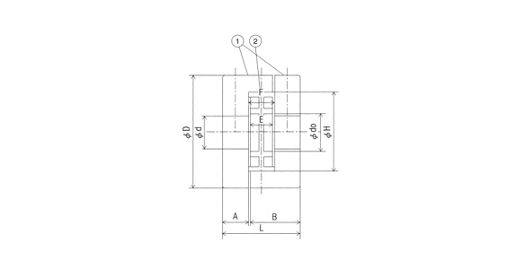
フレキシブルカップリング スリットタイプ セットスクリューキータイプ_mstskの詳細ページ。カップリングの専門メーカーnbkの公式直販サイト。在庫品本日出荷可能。cadデータ完備、登録不要でダウンロードできます。.
K カップリング. Kカップリング rs pro 5804 10x10、その他カップリングを電子部品・半導体の通販/販売サイト rsオンラインから最短翌営業日に. Rdシリーズに追加いたしました。 新発売 ケイセブンキャップ part2 を掲載しました。 09/3/27 ケイセブン防護用具及び3種の防護用具ページを公開しました。 kシリーズ製品情報を追加、更新しました。. ケルヒャーKシリーズ互換 両端メスクイックカップリング 3,980円 加算ポイント: 40pt 商品コード: CUCUKFF 関連カテゴリ 高圧カプラー 変換カプラー 家庭用ケルヒャー 変換 Kシリーズ ケルヒャー高圧ホース接続カプラー.
Aopinフレキシブル カップリングモーター カ3Dプリンター用5mm〜8mmシャフト、長さ25mm / 1"カプラーモーターコネクターケーシングジョイント、に最適車種シャフト、CNCマシン、モーターガイド、DIYエンコーダー、2個 5つ星のうち40 1 ¥1,249 ¥1,249 (¥3,1/100 g. タイプ 縦型、直示 ランタンタイプ フラッパ マグネットカップリング 指針表示 警報接点 外観 接続規格 標準JIS10K フランジ 標準JIS10K フランジ 流量範囲最小 0 ~ 06m³/h(水) 最大 0 ~ 300m³/h 流体圧力 最大07MPa: 口径25A以下 最大05MPa. K 3490、k 5 サイレント カー&ホームキット、k 5900 サイレント、k 550 m プラス、k 552 m、k 670 ms プラス本体には接続できません。 →クイックカップリングセット詳しくは こちら から.
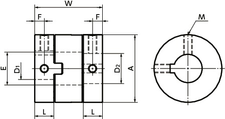
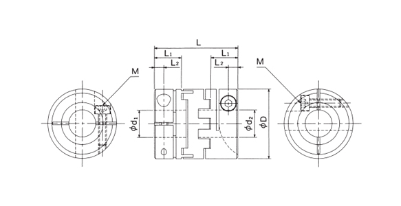
カップリング サイズ ー Nm rad トルクNm 最大 ダンピング パワー (W) 30℃ ×103 最高 ねじれ剛性(Cdym) 回転数 (rpm) 40m/s 周速(V) 30m/s ねじれ角度 T KN P KW T K max T K max 変動 T KW 定格 T KN 100 T KN 075 T KN 050 T KN 025 T KN. フレキシブルカップリング ジョータイプ セットスクリューキータイプ_mjtkerdの詳細ページ。カップリングの専門メーカーnbkの公式直販サイト。在庫品本日出荷可能。cadデータ完備、登録不要でダウンロードできます。. カップリング(ケイフレックス同士接続) (メーカー:三桂製作所) ケイフレックスとケイスレックスを接続するためのストレートカップリングです。 ケイフレックスとカップリング引張力は1000N(jis cの分類コードは4 ヘビー)です。.
各種問合せについては下記よりご連絡をお願いいたします。 TEL EMail info1@okscom メールフォームで問合せ. アイリスオーヤマ 高圧洗浄機 パーツ 本体側カップリングが高圧洗浄機用アクセサリストアでいつでもお買い得。当日お急ぎ便対象商品は、当日お届け可能です。アマゾン配送商品は、通常配送無料(一部. カップリング定数の大きさと各論 6 スピンaとxの間でカップリング定数jを決める要因と一般傾向 (1) 磁気回転比γ aとγ xに比例する (2) 結合の本数が少ないほどjが大きい(ただし2j.
FBN・FBKチェーンカップリング ~軸穴加工済みスプロケット~ ※ FBN・Kシリーズに無い寸法をご希望のお客様は、MBスプロケットをご選択ください 次の画面以降でご注文をしていただけます 商品画像 商品名 チェーンカップリングNo 内容物 KC 3012. King & Prince待望のCDデビューシングル。 TBS系 火曜ドラマ「花のち晴れ~花男 Next Season~」の主題歌である「シンデレラガール」のほか、初回限定盤A、初回限定盤B、通常盤及びUNIVERSAL MUSIC STORE限定 K盤、P盤の共通カップリング楽曲には、ファンクを基調としたブラックミュージック的なノリに. マイクロカップリング microcoupling 大同精密工業株式会社 大同精密工業株式会社 formflexカップリング 絶縁マイクロカップリング このカタログにはマイクロカップリ ングの性能と寸法データーが、皆様の 適切な選定に役立つように記載してあ ります。.
シンプルで高性能、高速化・大容量化に対応します ヘリコプターの駆動軸用に開発された独特のカップリングを、 一般産業用に応用したものです。 このダイアフラムは、高トルク 伝達を可能にするために、ねじれ剛性が高く、曲げ・圧縮に対して. プラフレキ(r)PF防水カップリング PFS BCR/ BCRI/ BCRK. ストラブ・分岐カップリング ストラブ・分岐カップリング gtタイプ ctタイプ 適用管サイズ: 50a ~150a 適用管サイズ: 50a ~100a 配管の接続と同時に取水口 の取付けができます。 本設/仮設を問わず、水・空気 の取出しに活躍します。.
お問い合わせはこちら 製品名称 差し込み式管継手 フルカップリング メーカー 規 格 JIS B 2316 型 式 寸法表 寸法表はこちら. Kカップリング rs pro 5801 4x4、その他カップリングを電子部品・半導体の通販/販売サイト rsオンラインから最短翌営業日にお. 油圧用高圧型 油圧系統の中高圧部に使用して頂く為に、特に耐圧耐震に留意して設計製作したクイックカップリングです。 詳しくはこちら 詳しくはこちら 詳しくはこちら.
k(腐)がイラスト付きでわかる! アニメ『k』の腐向け要素を持った作品につけられるタグ。 概要 オリジナルテレビアニメ『 k>k(アニメ) 』関連の投稿作品で腐向け要素を持った作品につけられるタグである。 主に男キャラ同士の恋愛(bl)要素のある内容の作品につけられる。. コトブキ K118 カップリングゴム 2ヶ入 ニューハイパワー用 商品番号 K118K 価格 163円 (税込) ポイント情報の取得に失敗しました。 獲得予定ポイントが正しく表示されなかったため、時間をおいて、再度お試しください。 すべての配送方法と送料を見る. カップリングは,実験室レベルにとどまらず,工業的にも 広く利用され,現在最も利用されるクロスカップリング反 応となっている。 有機ケイ素化合物も,クロスカップリング反応に用いる ことができる(檜山カップリング)。19年に檜山らが,.
カップリング サイズ ー Nm rad トルクNm 最大 ダンピング パワー (W) 30℃ ×103 最高 ねじれ剛性(Cdym) 回転数 (rpm) 40m/s 周速(V) 30m/s ねじれ角度 T KN P KW T K max T K max 変動 T KW 定格 T KN 100 T KN 075 T KN 050 T KN 025 T KN 14 19 24 28 38 42 48 55 65 75 90 100 110 125 140.
横浜ゴム フレックスマスターカップリング Fmc 11 2 M1600 150 0350 40a M1600 150 0350 Toolshop Y S Factory ヤフー店 通販 Yahoo ショッピング

想像を超えての Mjt 80k Wh 28 38 Nbk 鍋屋バイテックカップリング ジョータイプ Mjt K Wh カプリコン 国内最安値 Yowerikmuseveni Com

トータルメンテ ケルヒャーkシリーズ互換 両端オスクイックカップリング
K カップリング のギャラリー

k f エアカップリング 3sm cal 23sm kの通販 ホームセンター コメリドットコム

バルブを豊富に在庫 倉野製作所 Rジョイント K 5 ライト カップリング 乾式 継手 イシグロ Webstation

K 7カップリング Sdシリーズ ケイセブン オルダムタイプ 通販モノタロウ Sd 17c 3 3
5801 8x8 Kカップリング Rs Pro Rs Components
楽天市場 ケルヒャー 延長 高圧ホース 互換 5m クイックカップリング用 Karcher 高圧洗浄機用 K3 0 K4 00 K3 490 K5 600 K2 900 ベランダクリナー K4サイレント K3サイレント K 2 400 K5 900 K3 150 K5 680 K3 91 K3 99 K3 08 K5 80 K 2 300 K5 900 K 5 サイレント

アスクル 鍋屋バイテック Nbk 軸継手 Mjt 30k Gr 15 15 直送品 通販 Askul 公式

驚きの安さ 150a アトムズカップリングch 送料無料 Smtb K W3 新色追加 Tospeak It

Amazon コトブキ K 118 カップリングゴム 寿工芸 フィルター用アクセサリー 通販

カップリング ケイセブン
金型温調機配管用カップリング Stp Stp K クボタ計装 Powered By イプロス

Amazon アイセル リジットカップリングnカップ 無電解ニッケルメッキ ナットタイプ N 6 6 K 産業 研究開発用品 産業 研究開発用品 通販

N 15 15 K カップリング Nタイプ無電解ニッケルメッキ仕様 アイセル 外径d 25fmm 全長l 39 5mm 適合軸径 15fmm N 15 15 K 1個 通販モノタロウ

Md 140 K 7カップリング Mdシリーズ 1個 ケイセブン 通販サイトmonotaro

K 0118 カップリングゴム Kotobuki Store

シ ソモ kは確実に続きます 大人気アニメkの大人気カップリング伏見猿比古 八田美咲オンリーは今年8月と12月に16と17が開催されます宜しくお願いします T Co M80tprtpic

K 7カップリング Rdシリーズ ケイセブン Misumi Vona ミスミ

K Astec Eaf用カップリング 5 8mmf ネイチャーショップkyoei

K 44 ターボパーツ カップリングゴム Kotobuki Store
ローラチェーンカップリング オイルシール 椿本チエイン Cr5018 Or P71 0090 K Monotaro 個人ユーザー向け 通販 Yahoo ショッピング
コトブキ K 118 カップリングゴム 2ヶ入 ニューハイパワー用 K 118k アクアリウム ドリームシアター 通販 Yahoo ショッピング

コトブキ ターボパーツ 落下エルボ カップリングゴム レヨンベールアクア

K 7カップリング Fシリーズ ケイセブン フランジタイプ 通販モノタロウ F 125 4

高圧洗浄機 本体側カップリング Fhp K H5385 アイリスプラザ アイリスオーヤマ公式通販サイト

トリガーガン クイックタイプ クイックカップリング 洗浄機 クイックコネクトキット 7 5m高圧ホース Karcher バキューム 品番 2 643 878 0 ケルヒャー 洗浄機 家庭用 高圧 洗浄器 部品

バウマンフレックスカップリング Mm K 三木プーリ の通販 配管部品 Com

萌えの波動雨 嵐 オンリーカップリング同人誌アンソロジー K Book Comics Amazon Com Books

Mjt K Bl フレキシブルカップリング ジョータイプ セットスクリュー キータイプ Nbk 鍋屋バイテック会社

K 7カップリング Fシリーズ ケイセブン フランジタイプ 通販モノタロウ F 125 4

Msts 63k Msts K フレキシブルカップリング スリットタイプ セットスクリュー キータイプ Nbk Nabeya Bi Tech Industrial Portal Aperza

エアロパーツ Unpainted For 91 98 Bmw 6 2d Coupe M3 K Type Rear Trunk Lip Spoiler 未塗装の場合91 98 Bmw 6 2次元カップリングm3 K型後部トランクリップスポイラー Consyrsa Com

K 7カップリング Fシリーズ ケイセブン イプロスものづくり

K商会 Pf管カップリング

Z S ジーエス ギアサード オンリーカップリング同人誌アンソロジー K Book Selection Amazon Com Books
安心の定価販売 ケルヒャー 延長 高圧ホース 互換 40m クイックカップリング用 Karcher 高圧洗浄機用 K3 0 K4 00 K3 490 K5 600 K2 900 ベランダクリナー K4サイレント K3サイレント K 2 400 K5 900 K3 150 K5 680 K3 91 K3 99 K3 08 K5 80 K 2 300 K5 900 K 5
Hsカップリング Fvソケット Hsカップリング Fvソケット 北越消雪機械工業株式会社

K 7カップリング Sdシリーズ ケイセブン イプロスものづくり

09 号 油井管用カップリング取付装置 Astamuse
コトブキ工芸 Kotobuki k 0118 カップリングゴム 900z 1200z 用 チャーム Charm Paypayモール店 通販 Paypayモール

Iris アイリスオーヤマ 本体側カップリング Fhp K のパーツレビュー マークx すてお R06a T みんカラ

正規激安 アクセサリー 延長高圧ホース10m クイックカップリング用 クイックコネクト機種用 Karcher Www Bocasay Com

人気 Kvk カップリング付横水栓 K 4 J 旧mym K60 C H26 在 の通販 価格比較のビカム

全ての Mjt 95k Wh 42 45 Nbk 鍋屋バイテックカップリング ジョータイプ Mjt K Wh カプリコン 格安 Yowerikmuseveni Com
1

メルカリ キューリング コーヒーメーカー Kカップリングホルダー 2 666 中古や未使用のフリマ

高圧洗浄機 プロ ケルヒャー 延長 高圧ホース スイベル付 互換 40m クイックカップリング用 新作送料無料 Karcher 高圧洗浄機用 K3 0 K4 00 K3 490 K5 600 K2 900 K3 150 ベランダクリナー K5 900 サイレント K3サイレント 2 300 K3 08 K5 80 K3 91 K3 99 K K4

09 号 油井管用カップリング取付装置 Astamuse

楽天市場 ケルヒャー Karcher 高圧洗浄機用 ねじれ防止カップリング クイックカップリングセット Sanwa Kihan Online

N 15 15 K カップリング Nタイプ無電解ニッケルメッキ仕様 アイセル 外径d 25fmm 全長l 39 5mm 適合軸径 15fmm N 15 15 K 1個 通販モノタロウ
Http Www Hitachihyoron Com Jp Pdf 1971 10 1971 10 10 Pdf

ステアリングシャフトカップリング交換 シトロエン Bx By K Ta1993 みんカラ

Image 0191 K On Know Your Meme

047 10 28 Rs カプラ Huco 業務用カップリング Rs Components

Mor K フレキシブルカップリング オルダムタイプ セットスクリュー キータイプ Nbk 鍋屋バイテック会社

好き好きサスケくん ナルサス編 オンリーカップリング同人誌アンソロジー K Book Selection 稲盛ほか 本 通販 Amazon

カスタマイz 主題歌シングル 解 のカップリング曲発表 アニメイトタイムズ

カップリング ケイセブン

Sd 17c 7 7 K 7カップリング Sdシリーズ 1個 ケイセブン 通販サイトmonotaro

Mjc K Bl フレキシブルカップリング ジョータイプ セットスクリュー キータイプ Nbk 鍋屋バイテック会社

Bowex エンジン用フランジカップリング ケーティーアールジャパン 株 Ktr デジアナeカタログ メカトロネット
送料230円対応 コトブキ K 44 ターボパーツカップリングゴム 2コ入 G3 Aqua Lab ヤフーショップ 通販 Yahoo ショッピング

萌えの波動雨 嵐 2の型 オンリーカップリング同人誌アンソロジー K Book Comics Amazon Com Books

K 7カップリング Mdシリーズ ケイセブン Misumi Vona ミスミ
コトブキ カップリングゴム 2個入 K0118 スーパーターボ900z 10z 用 新ロット新パッケージ 全国送料無料 レヨンベールアクア 通販 Paypayモール

細雪リグレット Akb48 チームkカップリング 完全無料画像検索のプリ画像 Bygmo

5801 8x8 Kカップリング Rs Pro Rs Components

カップリング K40形 K50形 株式会社 正和

Shengjian Sj 164b N S Kカップリング付きe Generator歯科用ledハンドピース高品質 Buy Ledハンドピース 高速ハンドピース E 発電機の Product On Alibaba Com

全ての Mjt 95k Wh 42 45 Nbk 鍋屋バイテックカップリング ジョータイプ Mjt K Wh カプリコン 格安 Yowerikmuseveni Com

便利な 月経カップ 生理カップ 経血カップ 流水タイプ アウトレット グッとラック あさイチ で紹介 リング カップ 選べる7色 Shelly 授与 Menstrual 取りやすいリング 持ち手 震災グッズ サイズ Cup スッキリ S シリコン L メール便

取扱を終了した商品です Kカップリング 10mm 047 3232 Rs 63 5122 99 Axel アズワン

K 7カップリング Mdシリーズ ケイセブン Misumi Vona ミスミ

カップリング Vl K ミキシングノズルと注入用アクセサリー Hilti Japan
想像を超えての ridgid オスカップリング一体型ケーブル7 6m c 4 ridge tool company 受賞店舗 Www Ugtu Net

Z Sギアフォー オンリーカップリング同人誌アンソロジー K Book Selection Amazon Com Books

トータルメンテ ケルヒャーkシリーズ互換 両端メスクイックカップリング

カップリング継手テフロンホース K型 製品詳細 株式会社フレックス

K 7カップリング Mdシリーズ ケイセブン Misumi Vona ミスミ

K 共用カップリング付き横水栓 かぎ式 7031 13 箱入 ホームセンターナフコの公式オンラインストア

K Cup キューリグ Kカップ K Cup キューリグ Kカップ キューリグ K Cup ブリュースター k

Md 140 K 7カップリング Mdシリーズ 1個 ケイセブン 通販サイトmonotaro

Mjt K Gr フレキシブルカップリング ジョータイプ セットスクリュー キータイプ Nbk 鍋屋バイテック会社
ケイセブン カップリング Sシリーズ 標準タイプ S 80 S 80 ホクショー商事 ヤフー機械要素店 通販 Yahoo ショッピング

K 7カップリング Sdシリーズ 株 ケイセブン 製品情報

K 7カップリング Fシリーズ ケイセブン フランジタイプ 通販モノタロウ F 125 4

K 7カップリング 製品カタログ ケイセブン イプロスものづくり

K 7カップリング Mdシリーズ ケイセブン Misumi Vona ミスミ

カスタマイz 主題歌シングル 解 のカップリング曲発表 アニメイトタイムズ

Mjt 65k Gr 18 18 カップリング ジョータイプ Mjt K Gr 1個 鍋屋バイテック Nbk 通販サイトmonotaro

高圧洗浄機 本体側カップリング Fhp K アイリスオーヤマ製 電子部品 半導体通販のマルツ

Sumtak カップリング C 19 15k 15 K Heidenhain Id 01 Coupling Device Couple Itemsid Pets Aliexpress

Cf K 0 Sae 11 1 2カップリングcentaflex K 0 Sae11 5 Buy Cf K 0 Sae 11 1 2 Centaflex K 0 Sae11 5 Centaflex K 0 Sae11 1 2 Product On Alibaba Com

K 7カップリング Sdシリーズ ケイセブン Misumi Vona ミスミ

アニメk コンビ グループ カップリングタグ一覧 あにめけーこんびぐるーぷかっぷりんぐたぐいちらん とは ピクシブ百科事典
ケルヒャー Karcher 高圧洗浄機用 ねじれ防止カップリング クイックカップリングセット K Nejire Qc Set Sanwa Kihan Online 通販 Yahoo ショッピング

高圧洗浄機 プロ ケルヒャー 延長 高圧ホース スイベル付 互換 40m クイックカップリング用 新作送料無料 Karcher 高圧洗浄機用 K3 0 K4 00 K3 490 K5 600 K2 900 K3 150 ベランダクリナー K5 900 サイレント K3サイレント 2 300 K3 08 K5 80 K3 91 K3 99 K K4

Mjt K Gr フレキシブルカップリング ジョータイプ セットスクリュー キータイプ Nbk 鍋屋バイテック会社

Mor K フレキシブルカップリング オルダムタイプ セットスクリュー キータイプ Nbk 鍋屋バイテック会社

K 7カップリング Sdシリーズ ケイセブン Misumi Vona ミスミ




